
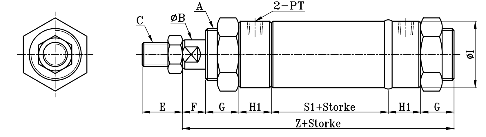
H/I:H、I(H槽、內牙全系共用)TYPE | 圓型中型油壓缸尺寸圖 14Mpa R0 Series Dimensional Features |
H:H槽型![]() | I:內牙型![]() |
ROB:RO+B(后蓋焊接式) TYPE

ROD:ROD+AST(雙軸型附可調帽) TYPE

注:感應油缸時,不論是單軸還是雙軸缸,缸筒長度的選擇均為雙軸缸的缸筒長度
| ROB-ROD TYPE | E外牙型 | I內牙型 | H型槽 | ||||||||||||||||||
| 缸徑 BORE | A | ΦB | F | G | H1 | H | ΦI | PT | S1 | S | Z | ZD | ZF | ZM | AH | C | E | J | JH | W | ΦV |
| Φ32 | M30xP1.5 | 16 | 15 | 25 | 25 | 50 | 42 | 1/4 | 60 | 80 | 175 | 210 | 240 | 238 | 28 | M14xP1.5 | 30 | M12xP1.75 | 20 | 10 | 11 |
| Φ40 | M40xP2.0 | 20 | 15 | 25 | 25 | 50 | 50 | 3/8 | 60 | 80 | 175 | 210 | 240 | 239 | 29 | M16xP1.5 | 30 | M14xP2.0 | 20 | 15 | 14 |
| Φ50 | M50xP2.0 | 25 | 20 | 30 | 30 | 60 | 60 | 3/8 | 71 | 95 | 211 | 255 | 295 | 294 | 39 | M22xP1.5 | 40 | M16xP2.0 | 25 | 15 | 18 |
| Φ63 | M60xP2.0 | 35 | 20 | 30 | 30 | 60 | 73 | 3/8 | 71 | 95 | 211 | 255 | 295 | 295 | 40 | M30xP1.5 | 40 | M24xP3.0 | 30 | 15 | 27 |
| Φ80 | M70xP2.0 | 40 | 25 | 35 | 35 | 70 | 92 | 1/2 | 83 | 110 | 248 | 300 | 345 | 348 | 48 | M30xP1.5 | 45 | M27xP3.0 | 35 | 20 | 32 |
| Φ100 | M90xP2.0 | 50 | 25 | 35 | 35 | 70 | 114 | 1/2 | 93 | 120 | 258 | 310 | 360 | 360 | 50 | M40xP2.0 | 50 | M36xP4.0 | 40 | 20 | 40 |
| Φ125 | M120xP2.5 | 60 | 30 | 40 | 40 | 80 | 140 | 3/4 | 98 | 130 | 288 | 350 | 410 | 410 | 60 | M50xP2.0 | 60 | M45xP4.5 | 45 | 20 | 50 |
| Φ140 | M140xP2.5 | 70 | 30 | 40 | 40 | 80 | 160 | 3/4 | 98 | 130 | 288 | 350 | 420 | 410 | 60 | M60xP2.0 | 70 | M48xP5.0 | 45 | 20 | 60 |
| Φ150 | M150xP3.0 | 80 | 30 | 45 | 45 | 90 | 168 | 3/4 | 113 | 150 | 323 | 390 | 470 | 455 | 65 | M70xP2.0 | 80 | M60xP5.5 | 45 | 25 | 70 |
| Φ160 | M160xP3.0 | 80 | 30 | 45 | 45 | 90 | 178 | 3/4 | 113 | 150 | 323 | 390 | 470 | 455 | 65 | M70xP2.0 | 80 | M60xP5.5 | 45 | 25 | 70 |
| Φ180 | M180xP3.0 | 100 | 35 | 50 | 50 | 100 | 200 | 1 | 130 | 170 | 365 | 440 | 540 | 505 | 65 | M90xP2.0 | 100 | M75xP6.0 | 50 | 25 | 85 |
| Φ200 | M200xP3.0 | 100 | 35 | 50 | 50 | 100 | 228 | 1 | 130 | 170 | 365 | 440 | 540 | 505 | 65 | M90xP2.0 | 100 | M75xP6.0 | 50 | 25 | 85 |
| Φ220 | M220xP3.0 | 125 | 35 | 55 | 55 | 110 | 250 | 1 1/4 | 147 | 190 | 402 | 480 | 590 | 555 | 75 | M100xP3.0 | 110 | M95xP6.0 | 55 | 25 | 105 |
| Φ250 | M250xP3.0 | 125 | 35 | 55 | 55 | 110 | 276 | 1 1/4 | 147 | 190 | 402 | 480 | 590 | 555 | 75 | M100xP3.0 | 110 | M95xP6.0 | 55 | 25 | 105 |
訂購:r0-bd-hi