
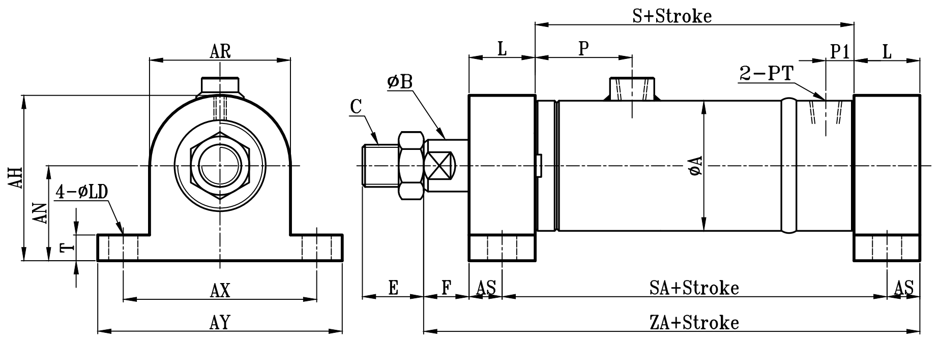
COA:COA+LA TYPE | 工程圓型中型油壓缸LA座尺寸圖 14Mpa C0 Series LA Dimensional Features |
![]() | |
| COA TYPE | LA TYPE | |||||||||||||||||||
| 缸徑 BORE | ΦA(chǔ) | ΦB | C | E | F | P | P1 | PT | S | SA | ZA | ΦLD | T | L | AH | AY | AN | AX | AS | AR |
| Φ40 | 50 | 25 | M22xP1.5 | 30 | 15 | 40 | 13 | 3/8 | 104 | 129 | 169 | 12 | 14 | 25 | 69 | 115 | 36.5 | 95 | 12.5 | 65 |
| Φ50 | 60 | 30 | M26xP1.5 | 40 | 20 | 45 | 15 | 3/8 | 119 | 149 | 199 | 14 | 19 | 30 | 84 | 140 | 44 | 115 | 15 | 80 |
| Φ63 | 73 | 35 | M30xP1.5 | 40 | 20 | 50 | 15 | 3/8 | 124 | 154 | 204 | 16 | 19 | 30 | 95 | 160 | 50 | 130 | 15 | 90 |
| Φ80 | 92 | 40 | M30xP1.5 | 45 | 25 | 55 | 18 | 1/2 | 139 | 174 | 234 | 18 | 24 | 35 | 115 | 185 | 60 | 155 | 17.5 | 110 |
| Φ100 | 114 | 50 | M40xP2.0 | 50 | 25 | 60 | 18 | 1/2 | 159 | 194 | 254 | 20 | 24 | 35 | 135 | 215 | 70 | 180 | 17.5 | 130 |
| Φ125 | 140 | 60 | M50xP2.0 | 60 | 30 | 65 | 20 | 3/4 | 175 | 215 | 285 | 24 | 29 | 40 | 168 | 265 | 87 | 220 | 20 | 162 |
| Φ140 | 160 | 70 | M60xP2.0 | 70 | 30 | 70 | 20 | 3/4 | 180 | 220 | 290 | 24 | 29 | 40 | 186 | 290 | 96 | 240 | 20 | 180 |
| Φ150 | 168 | 80 | M70xP2.0 | 80 | 30 | 75 | 20 | 3/4 | 195 | 240 | 315 | 29 | 34 | 45 | 201 | 315 | 103.5 | 260 | 22.5 | 195 |
| Φ160 | 178 | 80 | M70xP2.0 | 80 | 30 | 80 | 20 | 3/4 | 195 | 240 | 315 | 29 | 34 | 45 | 211 | 325 | 108.5 | 270 | 22.5 | 205 |
| Φ180 | 200 | 100 | M90xP2.0 | 100 | 35 | 90 | 25 | 1 | 225 | 275 | 360 | 32 | 39 | 50 | 242 | 370 | 124.5 | 310 | 25 | 235 |
| Φ200 | 228 | 100 | M90xP2.0 | 100 | 35 | 95 | 25 | 1 | 225 | 275 | 365 | 35 | 44 | 50 | 267 | 405 | 137 | 340 | 25 | 260 |
| Φ220 | 250 | 125 | M100xP3.0 | 110 | 35 | 100 | 29 | 1 1/4 | 260 | 315 | 405 | 38 | 49 | 55 | 292 | 440 | 149.5 | 370 | 27.5 | 285 |
| Φ250 | 276 | 125 | M100xP3.0 | 110 | 35 | 105 | 29 | 1 1/4 | 260 | 315 | 405 | 41 | 54 | 55 | 322 | 480 | 164.5 | 405 | 27.5 | 315 |
訂購(gòu):c0a-la