

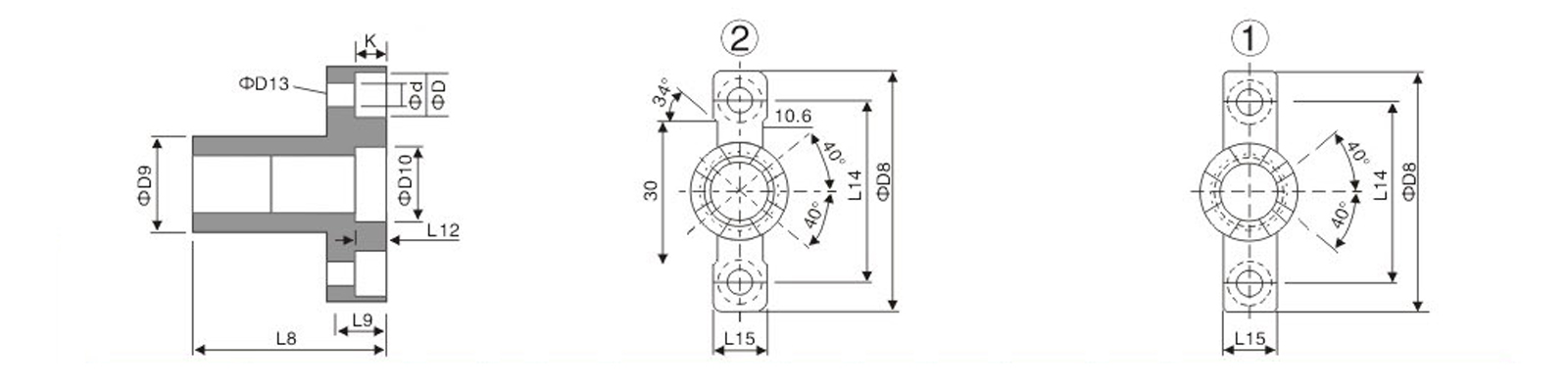
| Type | 型號 (+DKL62) | 尺寸 | D8 | D9 | D10 | L8 | L9 | L12 | L14 | L15 | R1 | ¢D13 | |||
| ¢ d | ¢D | K | Metric S.H.C.S | ||||||||||||
| DDKL2031② | DDKL2032② | 小型 | 54 | 20.6 | M16x1 | 40 | 13 | 7 | 40 | 12.6 | 2.5 | 6.8 | 10.4 | 6.8 | M6x1 |
| DDKL3031① | DDKL3032① | 中型 | 60 | 24.4 | M19x1 | 51 | 15 | 8 | 46 | ||||||
| DDKL4031① | DDKL4032① | 大型 | 78 | 32.4 | M24x1 | 38 | 20 | 10 | 60 | 17 | 4 | 8.4 | 13.7 | 8.5 | M8x1.25 |

| 型號 | 尺寸 | 行程范圍 | L22 | D19 | D20 | D24 | L23 | L24 | L25 | L28 |
| DDKL2071 | 小型 | 5-30 | 86 | 28 | M22X1.25 | 16 | 37 | 31.5 | 6 | 10.8 |
| DDKL2072 | 30-55 | 111 | ||||||||
| DDKL3071 | 中型 | 6-41 | 34 | M26X1.25 | 19 | 49 | 41 | 7 | 12.8 | |
| DDKL3072 | 41-76 | 146 | ||||||||
| DDKL4071 | 大型 | 12-58 | 152 | 45 | M34X1.5 | 26 | 65 | 56 | 10 | 17.3 |
| DDKL4072 | 58-104 | 198 |

| 型號 | 尺寸 | L29 | D25 | D26 | D27 | L30 | L31 | L32 | F3 | D28 |
| DDKL2081 | 小型 | 140 | 16 | 12.4 | 9.8 | 21 | 4 | 6.7 | 13 | M8X1.25 |
| DDKL2082 | 250 | |||||||||
| DDKL3081 | 中型 | 160 | 19 | 14.5 | 11.7 | 24 | 4.6 | 7.6 | 15 | M10X1.5 |
| DDKL3082 | 280 | |||||||||
| DDKL4081 | 大型 | 200 | 26 | 19.5 | 15.9 | 31 | 5.5 | 9.5 | 22 | M12X1.75 |
| DDKL4082 | 310 |
訂購:161-內鎖模扣DDKL